ADI가 5월의 신제품 2종을 공개했다. ADF41513은 무선 리시버와 트랜스미터의 상향/하향 변환 영역에서 26.5GHz의 높은 주파수의 국부 발진기 구현에 사용할 수 있는 초저노이즈 주파수 합성기다. 이 제품은 시험 및 계측장비, 무선 인프라, 마이크로파 P2P 및 멀티포인트 RF 등의 애플리케이션에 적합하다. ADP1031은 절연형 플라이백 DC/DC 레귤레이터와 인버팅 DC/DC 레귤레이터, 벅 DC/DC 레귤레이터를 결합하여 3개의 절연형 파워 레일을 제공하는 고성능 절연형 마이크로 PMU이다. 이와 함께 ADP1031은 낮은 발열과 작은 솔루션 크기가 요구되는 채널 대 채널 애플리케이션을 위한 4개의 고속 SPI 절연 채널과 3개의 범용 아이솔레이터를 포함하고 있다. 주요 애플리케이션에는 산업 자동화, 공정 제어, 계측, 데이터 수집 시스템, 데이터 및 전원 절연 등이 포함된다.
| ADF41513, 26.5GHz LO 구현에 사용 가능
| ADP1031, 플라이백-인버팅-벅 파워레일 제공
26.5GHz 국부발진기 구현하는
초저노이즈 주파수 합성기 ADF41513
ADF41513은 무선 리시버와 트랜스미터의 상향/하향 변환 영역에서 26.5GHz의 높은 주파수의 국부 발진기(LO) 구현에 사용할 수 있는 초저노이즈 주파수 합성기다.
ADF41513 주파수 합성기
이 제품은 시험 및 계측장비, 무선 인프라, 마이크로파 P2P 및 멀티포인트 RF 등의 애플리케이션에 적합하다.
ADF41513은 고성능 SiGe BiCMOS 공정으로 설계됐으며, 일반적으로 -235dBc/Hz의 위상 잡음 수준을 나타낸다.
위상 주파수 디텍터(PFD)는 보다 향상된 위상 잡음 및 스퓨리어스 성능을 위해 최대 250MHz(정수형-N 모드) 및 125MHz(실수형-N 모드)까지 동작할 수 있다.
가변 계수 Σ-Δ 모듈레이터는 49bit 분할 값을 사용할 때 매우 높은 분해능 구현이 가능하다.
ADF41513은 정수형-N PLL로 사용되거나, 또는 sub-Hz 주파수 분해능을 위한 고정 계수나 sub-Hz의 정확한 주파수 분해능을 위한 가변 계수와 함께 실수형-N PLL로 사용될 수 있다.
이 주파수 합성기를 외부의 루프 필터, VCO(voltage controlled oscillator)와 함께 사용하면 완벽한 PLL을 구현할 수 있다.
26.5GHz의 대역폭을 지원하기 때문에 주파수 체배기나 분할기가 필요 없어 시스템 아키텍처가 간단하고 비용도 줄일 수 있다.
ADF41513은 콤팩트한 24핀 4mm x 4mm LFCSP 패키지로 공급된다.
ADP1031 PMU, 절연형 파워 레일 3개 제공
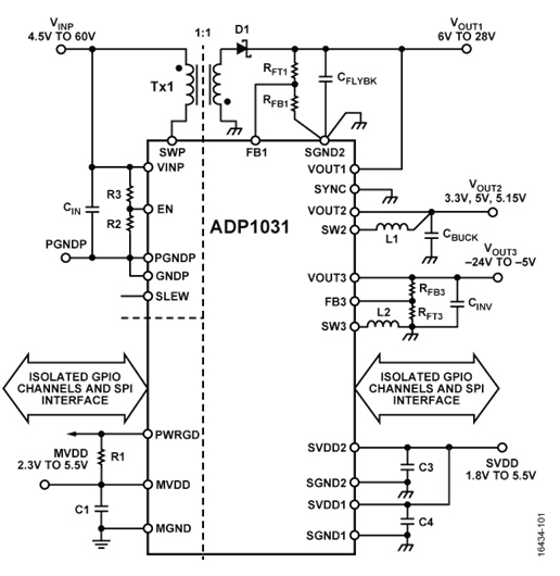
ADP1031은 절연형 플라이백 DC/DC 레귤레이터와 인버팅 DC/DC 레귤레이터, 벅 DC/DC 레귤레이터를 결합하여 3개의 절연형 파워 레일을 제공하는 고성능 절연형 마이크로 파워 관리 유닛(PMU)이다.
ADP1031 PMU
이와 함께 ADP1031은 낮은 발열과 작은 솔루션 크기가 요구되는 채널 대 채널 애플리케이션을 위한 4개의 고속 SPI 절연 채널과 3개의 범용 아이솔레이터를 포함하고 있다.
주요 애플리케이션에는 산업 자동화, 공정 제어, 계측, 데이터 수집 시스템, 데이터 및 전원 절연 등이 포함된다.
+4.5V~+60V의 입력 전압 범위에서 동작하는 ADP1031은 VOUT1으로 +6V~+28V(가변 버전) 또는 +21V과 +24V(고정 버전)의 절연형 출력 전압을 생성한다.
VOUT2로는 출고 전에 미리 출력 전압 프로그램 가능한 +5.15V, +5.0V, 또는 +3.3V의 벅 출력 전압을, VOUT3로는 -24V~-5V의 조절 가능한 출력 전압을 각각 생성한다.
기본적으로 ADP1031 플라이백 레귤레이터는 250kHz의 스위칭 주파수로 동작하며, 벅 및 인버팅 레귤레이터는 125kHz로 동작한다.
이 3개의 레귤레이터는 모두 EMI를 줄이기 위해 각 채널 간 주파수 위상이 변위 되어 있다.
ADP1031은 예민한 애플리케이션에서 노이즈 필터링이 용이하도록 350kHz~750kHz 범위에서 외부 오실레이터에 의해 구동이 가능하다.
ADP1031에 내장된 디지털 절연기는 저전력 및 낮은 EMI 방사에 최적화된 ADI의 iCoupler 칩 스케일 트랜스포머 기술을 사용한다. ADP1031은 9mm x 7mm 크기의 41핀 LFCSP로 공급되며, 접합 온도 범위는−40°C~+125°C이다.